Опорный ролик PWKRE 52 2RS
Опорный ролик PWKRE 52 2RS
Опорный ролик PWKRE 52 2RS
Опорный ролик PWKRE 52 2RS

Опорный ролик PWKRE 52 2RS

₽ 0

Под заказ
Кол-во
+ -

Быстрая покупка

  • Технические характеристики
  • Бренд: INA
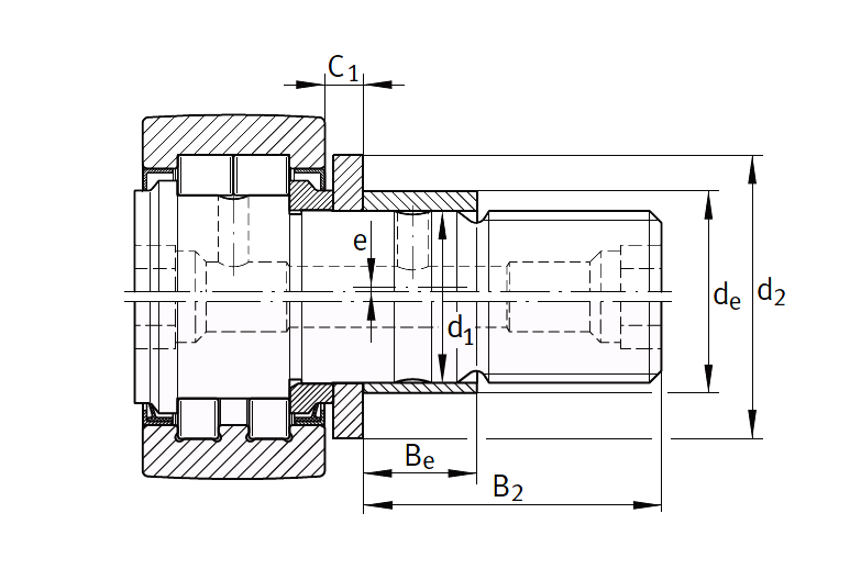
  • Внутренний ∅ диаметр (d): 24 мм
  • Внешний ∅ диаметр (D): 52 мм
  • Ширина (B): 66 мм
  • Вес: 0.47 кг
Опорные ролики с цапфой без сепаратора c эксцентриком серии PWKRE
    Способы доставки
  • Самовывоз (ПН-ЧТ (с 10:00 до 17:00), ПТ (с 10:00 до 13:00). Перед приездом необходимо предупредить за полчаса по телефону)
  • Доставка осуществляется транспортными компаниями "СДЭК" или "Деловые линии"

    Способы оплаты
  • Безналичный расчет
  • Оплата по реквизитам после оформления заказа

Внимание! Минимальная сумма заказа на сайте от 5000 руб. Если сумма ниже – организационные сборы на транспортные расходы 600 руб.

Похожие товары